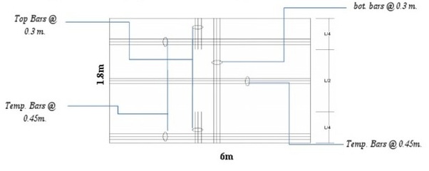
Why do we use a temperature bar in a slab?
We know (almost all) objects expand when heated, then goes back when the heat is removed. Slabs are large flat
Read moreConcrete technology deals with study of properties of concreteand its practical applications. In a building construction, concrete is used for the construction of foundations, columns, beams, slabs and other load bearing elements
We know (almost all) objects expand when heated, then goes back when the heat is removed. Slabs are large flat
Read moreModular retaining walls are made to weep and do so much more so than a concrete wall as they are
Read moreIf your slab is free to stretch and or shrink nothing will happen. If your slab is attached to some
Read moreThere is no simple answer to your question. It requires for each case to study and think what is going
Read moreThe fineness of cement is a measure of the size of particles of cement and is expressed in terms of
Read moreTension reinforced section is when you have steel reinforcement (rebar) on the tension controlled region where the rebar is used to
Read moreReinforced Concrete is a composite material. We have steel to take the tension and concrete the compression. Now, reinforcing steel
Read moreHoneycomb in concrete is basically caused due to improper mixing of material i.e Aggregates, Coarse sand and cement or may
Read moreUnder reamed piles are bored cast-in-situ concrete piles having one or more number of bulbs formed by enlarging the pile stem. These piles are best suited in
Read moreOne has to find out what grade of the concrete was specified by the designer and cause of honeycomb in
Read moreQUALITY CONTROL OF READY MIX CONCRETE Quality control of ready-mixed concrete may be divided into three components, 1. Forward control,
Read morePROCEDURE FOR REPAIR OF CRACKS: For small cracks (3 mm or less): Use screwdriver to chip away any flakes or
Read moreWe have special kind of pumps called ‘concrete pumps’ which are designed to create extremely high heads and thus pump
Read moreWhat is bond stress of concrete? Bond stress is the result of the bonding between the concrete surface and the
Read moreFor the same strength or workability, concrete with large size aggregate will require lesser quantity of cement than concrete with
Read more